ÆóÒµÓÊÏä
CHNENG
ex
PE
EX
Ïß·½ð¾ß
²úÆ·¸ÅÊö Feature
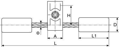
Ïß¼ÐΪÂÁºÏ½ð¼þ£¬£¬£¬£¬£¬£¬´¸Í·Îª»ÒÖýÌú¼þ£¬£¬£¬£¬£¬£¬ÆäÓàΪÈȶÆÐ¿¸ÖÖÆ¼þ¡£¡£¡£¡£
²úÆ·¼ÛÇ® Price
ÕæÊµÐÕÃû
ÊÖ»úºÅÂë
¡ù ÇëÌîÐ´ÕæÊµÊÖ»úºÅÂëÒÔ±ãÎÒÃÇÓëÄúÁªÏµ
QQ
ÑéÖ¤Âë
µØµã : Õã½Ê¡ ÀÖÇåÊÐ ¾¼Ã¿ª·¢Çø ±õº£ÄÏÈý·68ºÅ / ÊÖ»ú : +86 17895754287
µç»° : +86-577-62057777 86-577-62058899 / ´«Õæ : +86-577-62059988
copyright © ÄϹ¬NG28µçÆø¼¯ÍÅ. ALL RIGHT RESERVED.
ÕãICP±¸05024005ºÅ-1Á®ÕþÓÊÏ䣺cac@hogn.com.cn