ÄϹ¬NG28

ÄϹ¬NG28µçÆø¼¯ÍÅ

ÄϹ¬NG28(Öйú¼¯ÍÅ)ÓÐÏÞ¹«Ë¾¹ÙÍø

ex

PE

EX

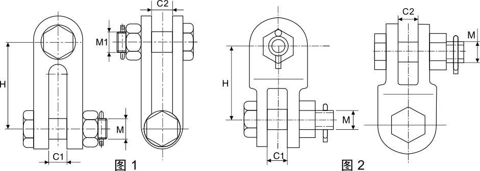
Ïß·½ð¾ß

PRODUCT

ZÐ͹Ұå

²úÆ·¸ÅÊö Feature

 

 

              ¼ê¿ÚÏúΪ²»Ðâ¸Ö¼þ £¬£¬£¬ÆäÓàΪÈȶÆÐ¿¸ÖÖÆ¼þ¡£¡£¡£¡£  

 

²úÆ·¼ÛÇ® Price

¼ÛÇ®¹æ¸ñ×îÏÈÈÕÆÚ¿¢ÊÂÈÕÆÚ
0.00Ôª/¸ö2020-06-19 00:00:002020-06-19 00:00:00
ÍêÉÆ×ÊÁÏ
  • ÕæÊµÐÕÃû

  • ÊÖ»úºÅÂë

    ¡ù ÇëÌîÐ´ÕæÊµÊÖ»úºÅÂëÒÔ±ãÎÒÃÇÓëÄúÁªÏµ

  • QQ

  • ÑéÖ¤Âë

¹Ø±Õ

µØµã : Õã½­Ê¡ ÀÖÇåÊÐ ¾­¼Ã¿ª·¢Çø ±õº£ÄÏÈý·68ºÅ / ÊÖ»ú : +86 17895754287

µç»° : +86-577-62057777 86-577-62058899 / ´«Õæ : +86-577-62059988

ÄϹ¬NG28(Öйú¼¯ÍÅ)ÓÐÏÞ¹«Ë¾¹ÙÍø

·µ»Ø¶¥²¿

¡¾ÍøÕ¾µØÍ¼¡¿¡¾sitemap¡¿